新闻中心
联系我们
地址:广东省中山市港口镇沙港西路106号
联系人:翁先生
电话:18676267728
传真:0760-88498239
添加时间:2017-09-05 发布在:行业资讯 阅读:5,334
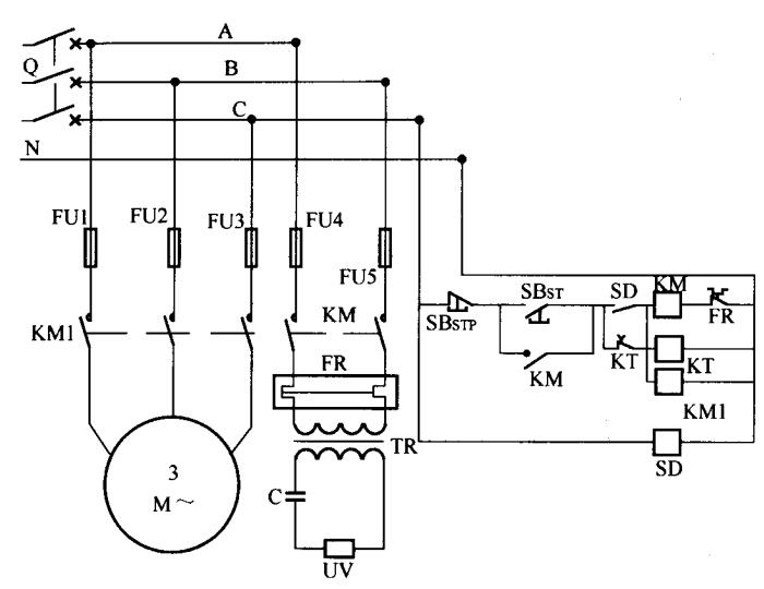
传送机运行保护电路如图1所示。
传送机运行保护电路运用到UV固化电路当中,就是在UV印刷工作时走纸传动停止,UV灯立即自动断电的一种控制。这样,就可避免当传动异常停止时,印刷物停在UV灯下,发生火灾的危险。在电路中接入速度传感器SD,用速度传感器内的小继电器常开点控制UV灯和传动电机的两个接触器线圈。使速度传感器探头测量传动轴的转速,有转速即传动工作时UV灯即可正常使用,当探头检测不到转速,即数值为零时,传感器内继电器断开,切断电路。

图1 传送机运行保护电路
因此传动电路与UV灯之间的开启存在冲突,就是在不开传动时打不开UV灯。所以在速度传感器的小继电器的常开触点上并接一个启动延时(KT)开关,在开机时先通过启动延时开关导通。传动正常工作后,启动延时开关跳开,即可恢复正常。
相关文章:
UV灯电源的基本电路
UV设备高压过流保护电路和起火保护电路
UV设备冷却设备保护电路
UV设备高温报警、断电保护电路
UV设备小功率镇流器电路和急停电路
UV固化机与印刷机联机测速电路